桂林市邁特光學儀器有限公司
Guilin Microtech Optical Instrument Co., Ltd. (MTO)
中文丨ENGLISH
產品搜索
請選擇產品類別
請選擇具體產品
● 包括MZS1065(雙目),MZS1065T(三目)
● 齊焦全程清晰無閃動
● 景深大,視場寬,超長工作距離,性價比高
● 滿足現代生物研究、半導體和其它科技工業領域等高精度方面的要求
放大倍率
總放大倍率10X~65X (標準配置),可擴充最大總放大倍率390X
目鏡
SWH10X高眼點超廣角目鏡,視場Φ23mm
鏡筒
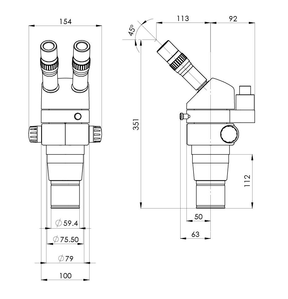
傾斜45°
工作距離
110mm
調焦范圍
50mm(方立柱時為100mm)
瞳距調節范圍(用10X 目鏡)
52mm~76mm
視度調節范圍
±6屈光度
支架與主機配合尺寸
Φ76mm
立柱中心到支架中心尺寸
140mm
圓立柱尺寸
Φ25mm
中心工作臺直徑
Φ95mm
光源
可配熒光燈透射照明(5W),鹵鎢燈反射照明(6V、10W可調)
項目
主機
不同附加物鏡參數
0.37X
0.5X
0.7X
1.5X
2X
10X
總放大倍率
10X~65X
3.7X~24.1X
5X~32.5X
7X~45.5X
15X~97.5X
20X~130X
視場直徑(mm)
Φ23~Φ3.5
Φ62.2~Φ9.6
Φ46~Φ7.1
Φ32.9~Φ5.1
Φ15.3~Φ2.4
Φ11.5~Φ1.8
15X
5.55X~36.1X
7.5X~48.8X
10.5X~68.3X
22.5X~146.3X
30X~195X
Φ17~Φ2.6
Φ45.9~Φ7.1
Φ34~Φ5.2
Φ24.3~Φ3.7
Φ11.3~Φ1.7
Φ8.5~Φ1.3
20X
7.4X~48.1X
14X~91X
40X~260X
Φ14~Φ2.2
Φ37.8~Φ5.8
Φ28~Φ4.3
Φ20~Φ3.1
Φ9.3~Φ1.4
Φ7~Φ1.1
30X
11.1X~72.2X
21X~136.5X
45X~292.5X
60X~390X
Φ9~Φ1.4
Φ18~Φ2.8
Φ12.9~Φ2
Φ6~Φ0.9
Φ4.5~Φ0.7
工作距離(mm)
110
275
195
145
58
35
注 : 1. 使用0.37X物鏡時,需使用加長圓立柱,不能使用方立柱底座組。 2. 使用0.5X以下倍率的物鏡時,不能使用方立柱底座組。
底座組 SD1~SD18 萬能支架 U1, U2, U3, U4, U1c, U2c, U3c 目鏡 SWH10X, SWF15X, SWF20X, SWF30X 分劃目鏡 SWH10X-CM0.1XY SWF15X-CM0.05XY SWF20X-CM0.05XY 附加物鏡 W0.37, W0.5, W0.7, W1.5, W2.0 CCD接頭 C0.3-S、C0.5-S、C1.0-S 數碼相機接頭 DT01 顯微攝影裝置 PT02 1X帶測微尺CCD接頭 CDM1.0 注:使用時,需與CCD接頭配合使用。 輔助光源 ML01, ML02, MLR60, LGY-150Ω 機械載物臺 S7665, S10086 注:載物臺如需安裝在我司底座上時,請提前說明,底座需特殊訂做——增加螺釘孔。
底座組
SD1~SD18
萬能支架
U1, U2, U3, U4, U1c, U2c, U3c
SWH10X, SWF15X, SWF20X, SWF30X
分劃目鏡
SWH10X-CM0.1XY SWF15X-CM0.05XY SWF20X-CM0.05XY
附加物鏡
W0.37, W0.5, W0.7, W1.5, W2.0
CCD接頭
C0.3-S、C0.5-S、C1.0-S
數碼相機接頭
DT01
顯微攝影裝置
PT02
1X帶測微尺CCD接頭
CDM1.0
注:使用時,需與CCD接頭配合使用。
輔助光源
ML01, ML02, MLR60, LGY-150Ω
機械載物臺
S7665, S10086 注:載物臺如需安裝在我司底座上時,請提前說明,底座需特殊訂做——增加螺釘孔。
公司簡介
企業文化
榮譽認證
總裁致辭
新產品
單筒
多功能連續變倍視頻顯微一體機
體視
MTV機器視覺系列
附件匯總
其它產品
定制鏡頭
體視顯微鏡
單筒視頻顯微系統
微電子精密成像
自動化設備
工業相機、智能機器人
生物、醫療
教育、科研
環保、材料、公安刑偵
新聞信息
招賢納士
下載資料
0773-5823609/5812510/2673200
http://m.lqik.cn
桂林市高新區信息產業園D-3號
[手機官方網站]
[邁特官方微信]
聯系我們丨在線地圖