桂林市邁特光學儀器有限公司
Guilin Microtech Optical Instrument Co., Ltd. (MTO)
中文丨ENGLISH
產品搜索
請選擇產品類別
請選擇具體產品
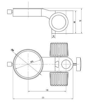
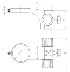
型號名稱:SF1升降組 說明: ● 調焦手輪松緊可調整,確保長期使用可靠 ● 立柱安裝孔直徑Φ 25mm ,鏡體安裝孔直徑Φ 76mm , 兩孔中心距 140mm
SF1升降組
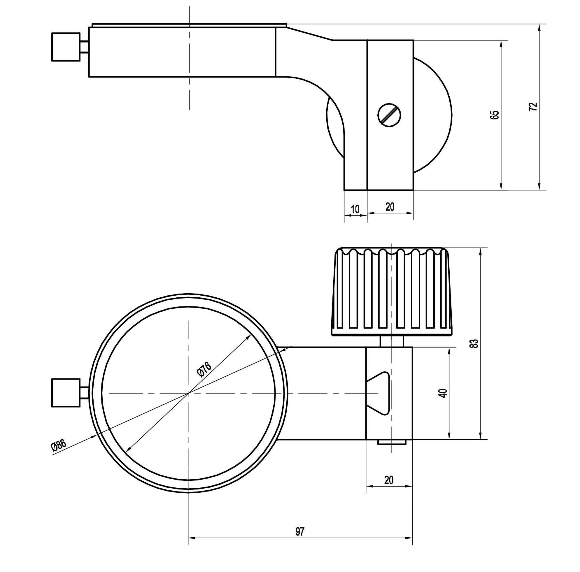
型號名稱:SF2升降組 說明: ● 帶有工業綁定機構的升降組 ● 鏡體安裝孔直徑Φ 76mm
SF2升降組
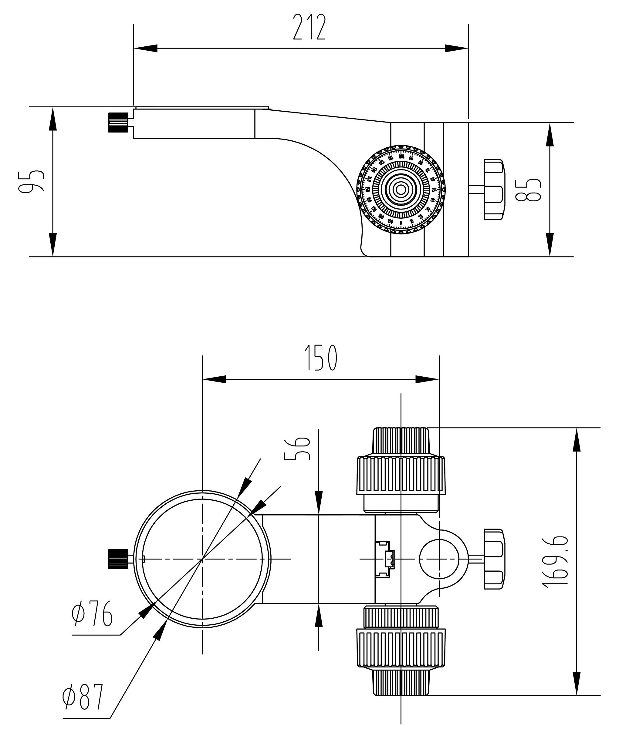
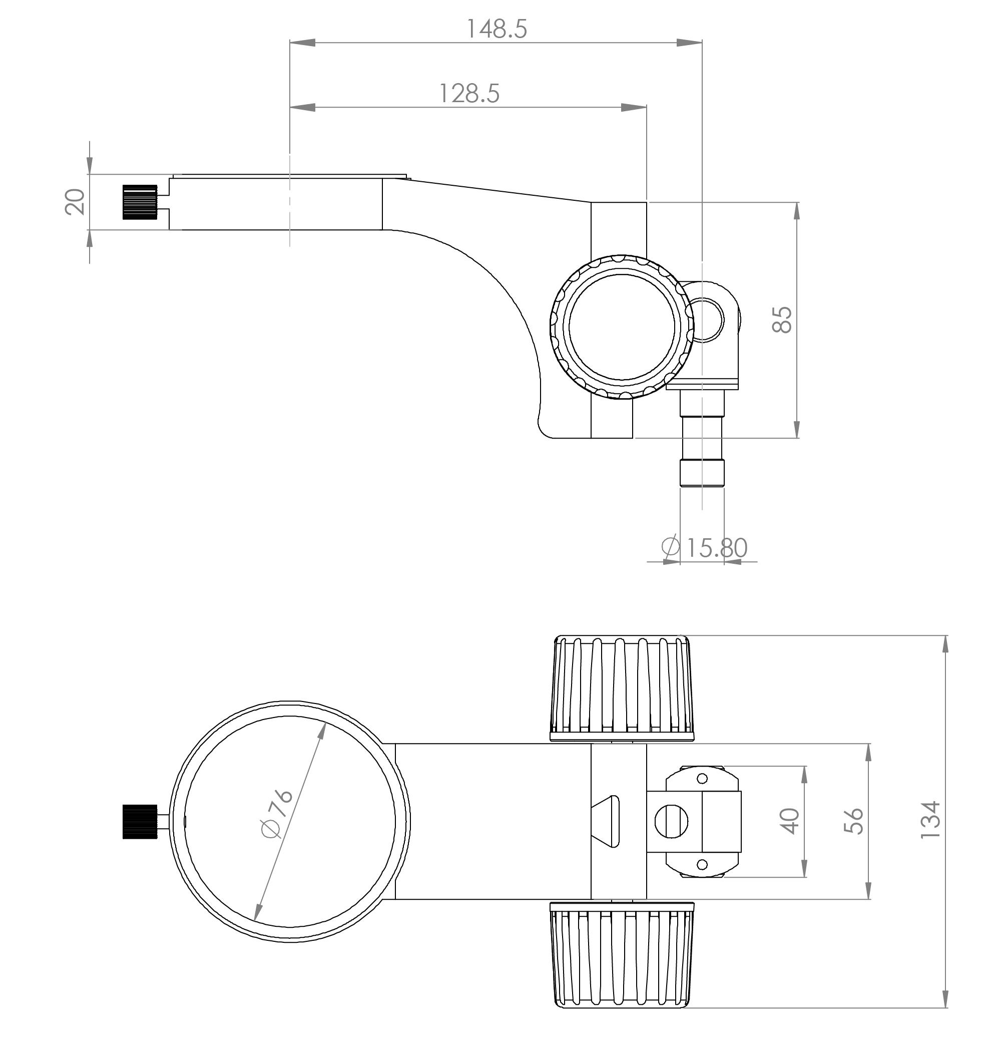
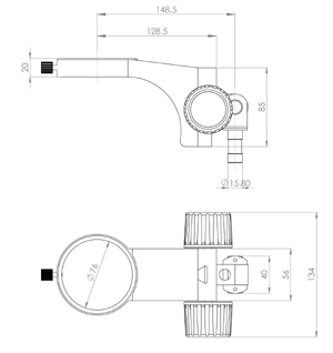
型號名稱:SF3升降組 說明: ● 帶有工業綁定機構的升降組,可任意角度觀察物體 ● 連接桿直徑Φ15.8 mm ,鏡體安裝孔直徑Φ 76mm .
SF3升降組
型號名稱:SF4升降組 說明: ● 單手輪升降調節 ● 鏡體安裝孔直徑Φ 76mm
SF4升降組
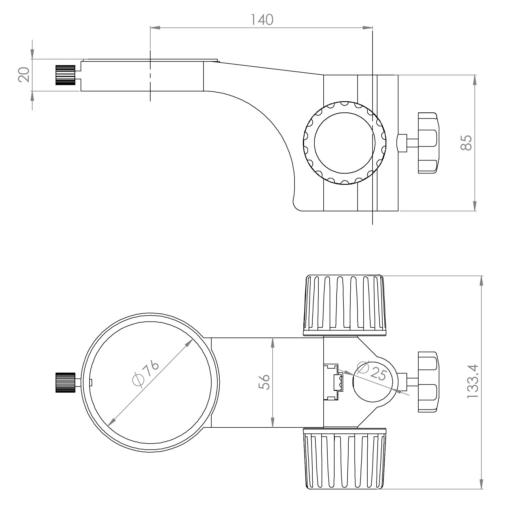
型號名稱:SF6升降組 說明: ● 單手輪升降調節 ● 金屬燕尾滑塊,立柱安裝孔直徑Φ 25mm ● 鏡體安裝孔直徑Φ 76mm ,兩孔中心距 110mm
SF6升降組
型號名稱:SF7升降組 說明: ● 金屬燕尾滑塊,立柱安裝孔直徑Φ 25mm ● 鏡體安裝孔直徑Φ 76mm ,兩孔中心距 110mm
型號名稱:SF8升降組 說 明: ● 金屬燕尾滑塊,立柱安裝孔直徑Φ 25mm ● 鏡體安裝孔直徑Φ 76mm ,兩孔中心距 140mm
SF8升降組
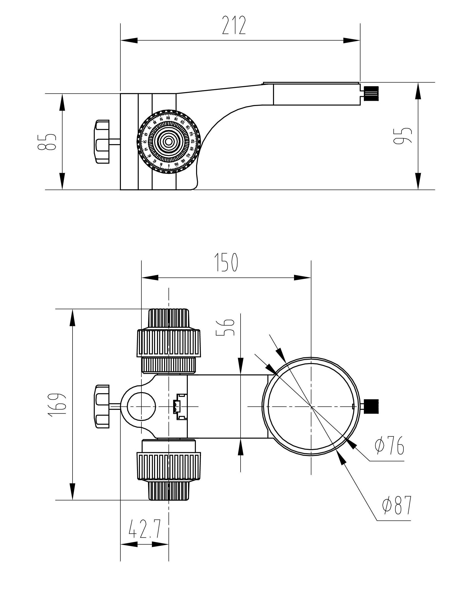
型號名稱:SF9升降組 說 明: ●粗微調同軸手輪,可調整粗動調節手輪張力 ● 立柱安裝孔直徑Φ25mm,鏡體安裝孔直徑Φ76mm, 兩孔中心距150mm
SF9升降組
公司簡介
企業文化
榮譽認證
總裁致辭
新產品
單筒
多功能連續變倍視頻顯微一體機
體視
MTV機器視覺系列
光源
附件匯總
其它產品
定制鏡頭
體視顯微鏡
單筒視頻顯微系統
微電子精密成像
自動化設備
工業相機、智能機器人
生物、醫療
教育、科研
環保、材料、公安刑偵
新聞信息
招賢納士
下載資料
0773-5823609/5812510/2673200
http://m.lqik.cn
桂林市高新區信息產業園D-3號
[手機官方網站]
[邁特官方微信]
聯系我們丨在線地圖